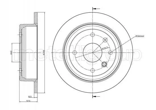
CIFAM 800-953 диск гальмівний (задній) Chevrolet Lacetti/Nubira 05- (257.8x10.5)
потрібна перевірка за VIN-кодом, уточнюйте сумісність у наших фахівців
|
1 272 ₴
завтра
|
- Виробник
- CIFAM
- Каталоговий номер
- 800-953
- Висота [мм]
- 57.5
- Товщина гальмівного диску (мм)
- 11.0
- Кількість отворів
- 4
- Перевірочне значення
- ECE-R90
- Тип гальмівного диска
- цілісний
- Зовнішній діаметр [мм]
- 258.0
- Ø фаски [мм]
- 60.0
- EAN
- 8032747047590
- Товар підходить до марок/моделей авто:
- - Chevrolet: Lacetti
- - Daewoo: Gentra, Nubira
- Товарна група:
- - Гальмівна система Гальмівні диски
